cmatthaeus2 Profile Banner
Claudia Matthaeus Profile
Claudia Matthaeus

@cmatthaeus2

Followers
793
Following
5K
Media
55
Statuses
2K

Assistant Professor @unipotsdam, Alumni @NIH @MDC_Berlin. Interested in caveolae, metabolism and imaging techniques. @[email protected]

Berlin, Germany
Joined May 2018
Don't wanna be here? Send us removal request.
@cmatthaeus2
Claudia Matthaeus
3 years
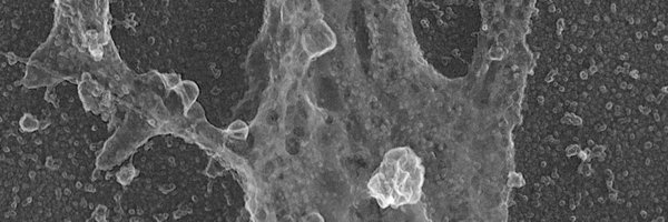
3D view of clathrin & caveolae at the cell membrane #ET
7
129
1K
@cmatthaeus2
Claudia Matthaeus
1 year
Interested in lipid droplets ? Come join us in Spain next September 👇
@BiancaSchrul
Bianca Schrul
1 year
Dear #LipidDroplet friends, we just launched the website for the next #EMBOLipidDroplets Workshop in September 2025. Check out the amazing lineup of speakers. Abstract submission deadline is 10 June 2025. Hope to see many of you there! #organelles
0
0
6
@LeibnizFMP
FMP Berlin
1 year
🎉 Congratulations! Prof. Volker Haucke @VolkerHaucke receives the #LeibnizPrize 2025 from @dfg_public for his groundbreaking research on #LipidSignaling & synaptic transmission. 👏 #Science #Research
@dfg_public
DFG public | @[email protected]
1 year
Herzlichen Glückwunsch zum #LeibnizPreis! 10 Wissenschaftler*innen gebührt große Ehre. Sie erhalten je 2,5 Mio. Euro für ihre #Forschung. Die Verleihung feiern wir am 19. März in #Berlin – zusammen mit vielen bisherigen Preisträger*innen aus #40JahreGWL. ➡️ https://t.co/lalyO5CWha
2
5
25
@ComeInCell
ComeInCell
1 year
Want to control #MembraneDynamics with light? 💡 Or discover how #BiomolecularCondensates can protect and repair #membranes? Join the @DimovaLab at the @MpiciPotsdam to learn more about membrane dynamics! 📷 check out our #PhDpositions: https://t.co/Rbni4oO6av
1
11
47
@cmatthaeus2
Claudia Matthaeus
1 year
Yes! Pls join us 🖖
@LeventalLab
Ilya Levental
1 year
hey science friends, in case you didnt already know, everyone is over at the blue place. come on over, its hoppin'!
0
1
5
@VolkerHaucke
Haucke lab
1 year
Postdocs in biochemistry & molecular neuroscience in Berlin to study presynapse formation in human neurons funded by the ERC (see https://t.co/2TsxPH62yz; Rizalar et al Haucke (2023) Science). A few more days left to apply: haucke@fmp-berlin.de.
0
14
29
@cmatthaeus2
Claudia Matthaeus
1 year
Interesting new article about adipocyte expansion and PM stiffness and caveolae
@madelpozo67
Miguel Angel delPozo
1 year
Want to know how #adipocytes “feel the force” to protect themselves and the organism from the stress of excess lipids? 👉Check out or new paper in @NatureComms in an effort led by @MariaAboyPardal @CaveoLab @CNIC_CARDIO & with key collaborators 👇thread https://t.co/xWlTNQe6p0
0
2
14
@Herrmann_lab
Johannes Herrmann
1 year
The newly founded study group on Cellular Organelles of the German Society for Biochemistry and Molecular Biology @GBM_eV had its first symposium in Kaiserslautern. Exciting meeting with excellent talks and posters! So much fun! Next year, we organelle lovers meet in Düsseldorf!
3
6
65
@Sciezgin
Erdinc Sezgin
1 year
We have an open research assistant position in host-pathogen interactions. Are you interested in synthetic biology, membranes and microorganisms, please apply! https://t.co/VtiNZ9Ok7A
Tweet card summary image
ki.varbi.com
Vill du bidra till medicinsk forskning av toppkvalitet? Vi söker en motiverad forskningsassistent som kommer att arbeta med biofysiska principer som ligger till grund för värd-patogen interaktioner
3
34
47
@schumacherbj
Björn Schumacher
1 year
Check out the free @NIH Bioart resource: Build figures, presentations, and illustrations with 2,000+ science and medical art visuals. This collection of free, high-quality, vectors, icons, and brushes have been created by professional illustrators.
0
2
28
@DimovaLab
Dimova Lab now at @DimovaLab.bsky.social
1 year
📢Hiring for a PhD position as part of #MSCA network of 17 students @ComeInCell Want to manipulate #condensates💧& membranes with light🌈? Check out/apply: 👉 https://t.co/3torZSuBjK The project includes secondments at @KGanzinger, Rossi Lab https://t.co/5SU7pn2RnP & @NatureComms
2
19
68
@OlzmannLab
James Olzmann
1 year
Please RT and help us get the word out. Scott Dixon @sjd956 and I are co-organizing the first @FASEBorg #Ferroptosis conference this summer! Awesome line up of speakers and room for additional short talks! Save the date & come join us July 27 - 31, 2025! 🤩 https://t.co/VlV9L3kxx1
1
84
132
@GBM_eV
GBM e.V.
1 year
Become a member of the GBM between October 2024 and March 2025 and the first year of your membership is for free ! Use the QR code below to get to the online application form. Please RT!
0
12
11
@cmatthaeus2
Claudia Matthaeus
1 year
Great opportunity for people who love microscopy! Amazing research environment
0
0
1
@cmatthaeus2
Claudia Matthaeus
1 year
Great opportunity for establishing your own group 👇
0
0
0
@ReikaTei
Reika Tei
1 year
Excited to share this (my first single-authored) #lipidtime minireview!🎉 I’ve synthesized all the insights from >5 years of experiments (including some unpublished work) to explore the dynamic regulatory network of phosphatidic acid (PA) metabolism ✅🔗👇 https://t.co/QVbkZmwZIy
8
29
157
@RibeiroCarlitos
Carlos Ribeiro
1 year
Good luck to everybody submitting @ERC_Research Starting Grants today! Just writing one of those, especially if it is your first big grant, is a big achievement! Be proud of you for getting to this stage! And Europe needs your science and innovation power.
0
9
72
@HenningLanger
Henning Langer
1 year
So, I recently became an independent lab leader: Today marks my second week as the head of the "Muscle Wasting" lab in the Geriatrics Department of the Charité Berlin. I can't quite describe how excited I am about this. A genuine dream come true! 🥲🥳 #MyoTwitter
91
38
2K