Llorens_MRC Profile Banner
Llorens MRC Profile
Llorens MRC

@Llorens_MRC

Followers
5K
Following
51K
Media
6K
Statuses
24K

TECSAT Electrónica y Comunicaciones, Tec. Sup. Adm. Redes Informáticas, programador de Sistemas de Control y Científico aficionado y "maker" desde los 60's...

Menorca, Islas Baleares, España
Joined December 2018
Don't wanna be here? Send us removal request.
@Llorens_MRC
Llorens MRC
6 years
*** Listado de temas que he publicado en Twitter *** https://t.co/azfOb4wRRW
6
15
72
@YarielSuarez612
Blue Apple
4 months
En la mañana del 28 de enero de 1986, una bola de fuego iluminó el cielo de Florida. Los restos del transbordador espacial Challenger caían al Atlántico. A bordo iban 7 tripulantes. La NASA había ignorado su lema: “Primero la seguridad, luego el éxito de la misión”. [Abro hilo]
12
68
201
@Llorens_MRC
Llorens MRC
4 months
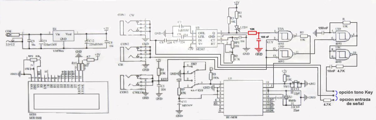
...Y siguiendo con el integrado NE567, es ciertamente interesante, tal vez incluso como sustituto del filtro LC que estuve probando. Busco su datasheet y compro algunos para experimentar... Aquí el circuito básico y los chips, ya daré noticias del funcionamiento... Continuará...
0
0
2
@Llorens_MRC
Llorens MRC
4 months
...El defecto venía del filtro PLL NE567. Tal vez por un problema de polarización, o de saturación, o de baja señal, no sé... En todo caso encontré una solución rápida, un filtro paso-bajo RC que eliminaba estos picos añadidos, que luego regularizaba el Schmitt-Trigger del 4093.
1
0
3
@Llorens_MRC
Llorens MRC
4 months
Aumentando la velocidad a 10 mS/Div (este osciloscopio de 15 € no puede mucho más)... La línea gruesa se dividía en varias líneas parecidas a "rebotes de señal", que el micro interpretaba como puntos Morse adicionales, errando la identificación de la letra...
1
0
1
@Llorens_MRC
Llorens MRC
4 months
...Pero subiendo velocidad de barrido a 20 mS/Div. vi que no era igual. la 1ª imagen es de una señal que funciona bien, la 2ª de la que no funciona, y aquí se intuía un flanco de caída de la señal levemente más ancho de lo normal...
1
0
1
@Llorens_MRC
Llorens MRC
4 months
Con este módulo me encontré con otro problema imprevisto que en ciertas circunstancias se equivocaba de letra al decodificar señales externas, pero en cambio no fallaba con las entradas a través del manipulador. Era raro, muy raro, ya que las señales al osciloscopio eran iguales.
1
0
1
@Llorens_MRC
Llorens MRC
4 months
Aquí añado el circuito corregido y definitivo que permite accionar un oscilador interno cuando se utiliza este económico módulo decoder de Aliexpress, como entrenador de Morse...
1
0
1
@Llorens_MRC
Llorens MRC
4 months
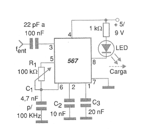
En el circuito hay otro chip interesante: es el NE567, un PLL (oscilador de lazo enganchado en fase) que aquí actúa como filtro activo de audio. Un integrado que puede trabajar entre 0,1 Hz y 500 Khz y que puede resultar útil en muchos montajes... Ya hablaré de él. Continuará...
1
0
2
@Llorens_MRC
Llorens MRC
4 months
Aquí se ve el selector (círculo) añadido en la esquina inferior-izquierda de la placa, que permite que la toma de auricular (flecha) se conecte a la entrada de señal a decodificar, o a la salida del oscilador para practicar Morse. Con el puente abajo está en la primera opción...
1
0
2
@Llorens_MRC
Llorens MRC
4 months
En esta imagen he desoldado el integrado 4093 para poder modificar las pistas que había debajo. También llevo a cabo modificaciones en la otra cara del circuito impreso, añadiendo dos resistencias y un condensador...
1
0
1
@Llorens_MRC
Llorens MRC
4 months
...Un improvisado diagrama del circuito que he imaginado. Utiliza una puerta como inversor de la posición de la llave Morse, y controla un oscilador de baja frecuencia (800 Hz), seguido de otro inversor para evitar influencias de la carga. Y eso va a un puente selector...
1
0
1
@Llorens_MRC
Llorens MRC
4 months
Que lleva integrado Mosfet 4093 de cuatro puertas NAND Schmitt-Trigger, pero sólo utiliza una de ellas (marcada en azul), como inversor a la salida del chip NE567 ...y por tanto dispongo de las otras 3 (marcadas en rojo) para implementar el oscilador de audio que necesito...
1
0
1
@Llorens_MRC
Llorens MRC
4 months
...Decía que el problema de este módulo decodificador de Morse de Aliexpress, es que no genera tono de audio a partir de la entrada del manipulador manual, que sería útil para practicar... Así que observando el esquema he visto un detalle:
1
0
1
@Llorens_MRC
Llorens MRC
4 months
Aquí me estoy encontrando que el hilo se ha cortado por su cuenta en un mensaje intermedio de semanas atrás, e ignoro si lo que añada a partir de ahora lo seguirá o simplemente colgará de forma invisible de este último mensaje... Sí así fuera lo repetiría en un hilo aparte...
1
0
0
@Llorens_MRC
Llorens MRC
4 months
Este kit tiene el problema de que no genera tono al conectarle un manipulador, lo cual dificulta mucho utilizarlo para el aprendizaje, en que reconocer la cadencia de las letras es fundamental... Así que ya miraré de solucionarlo. Continuará. Un saludo a todos...
1
0
1
@Llorens_MRC
Llorens MRC
4 months
...Y como decían en castellano: "albricias", un golpe de suerte porque se pone a funcionar... 🙂 ...Le conecto uno de mis manipuladores Morse y puedo "emitir" sin problemas el SOS del Titanic. También averiguo con el esquema las conexiones porque en el kit no hay información.
1
0
3
@Llorens_MRC
Llorens MRC
4 months
Todo parece indicar que el problema está en el microcontrolador, así que busco el datasheet, y sí, claro como el agua (del Yangtsé). Así que se me ocurre cambiar lo único que puedo, el cristal de cuarzo, que es de 4 Mhz por uno que encuentro en mis cajas de 4,096...
1
0
2
@Llorens_MRC
Llorens MRC
4 months
...Repaso el montaje y doy tensión, pero ¡Oh sorpresa! no funciona. Repaso de nuevo y hay tensiones correctas en todos los puntos del circuito, pero el display continua mudo. Compruebo con el osciloscopio si el micro genera señales de algún tipo, y está mudo, sin señal de reloj.
1
0
2
@Llorens_MRC
Llorens MRC
4 months
Las instrucciones están en chino y en un inglés macarrónico, pero se monta sin dificultad... El microcontrolador es un STC8G1K17, con una plaquita adaptadora al zócalo DIL de la placa, ya que esta versión del chip es SOP16 SMD...
1
0
0
@Llorens_MRC
Llorens MRC
4 months
...Y por cierto, hace un par de semanas pedí a Aliexpress un kit de un decodificador Morse muy barato, como 11 € ...más que nada por poder comparar su funcionamiento con el mío, y ya me llegó, aunque falta el pulsador, que te muestran en la imagen pero luego no incluyen...
2
0
0