kuninet Profile Banner
kuni (KUNI-NET元シソペ) Profile
kuni (KUNI-NET元シソペ)

@kuninet

Followers
1K
Following
36K
Media
3K
Statuses
33K

1970年代のM6800、Z80 マイコンにハマり中... KZ80シリーズとしてgithubでも公開してます。 (https://t.co/I1FMQhPWwY) 呼称は "kuni"で オネガイシマス。"kuni"の"ネット"で "KUNI-NET"ですた。

Sapporo,JAPAN
Joined November 2007
Don't wanna be here? Send us removal request.
@Motidukineko
キジネコ様
3 days
!!
34
2K
15K
@vintagechips
電脳伝説
6 days
そうか、長いことポストしないでいると生存を疑われる立場でしたw 調子は良かったり悪かったりだけどいずれにしろ薬漬けなので下手なことを口走らないよう気を付けています。SBCシリーズが縁のお友達に見守られながら療養しているボク、最高に幸せ者ですわ。
4
4
57
@kuninet
kuni (KUNI-NET元シソペ)
6 days
わかる。蓋とらないと、うまく飲めないです
@kiritanitoshiro
桐谷とうしろう
7 days
カップの蓋(2/2)
0
0
1
@kuninet
kuni (KUNI-NET元シソペ)
8 days
そーいや、会社の先輩がこういう15x11インチ連続紙を「ワンピー」って呼んでて、最初分からなかったなぁ... ストックフォームとか連続紙ですよね https://t.co/X4uUwTS6Pd
0
0
3
@siro700
しろ
9 days
HDD、はがきケースにぴったりやん!
23
198
1K
@kuninet
kuni (KUNI-NET元シソペ)
10 days
エライ!!
@EN_gelou
ノグエレ
10 days
えらいので簡易資料を残す
1
0
2
@tako2
tako2
12 days
まあ、来年は今つくってるワイヤーフレームのゲームをイベント等でプレイアブル展示できればと
0
3
16
@kuninet
kuni (KUNI-NET元シソペ)
14 days
すばら
@EN_gelou
ノグエレ
14 days
割とまともなZ80の回路を設計中...
1
0
6
@takanowataru01
高野和 七姫物語新装版発売中
14 days
東大寺と興福寺と国立奈良博物館観てきました 記憶が曖昧でしたが小学生の時に修学旅行に来たきりなので大人になってからは初で興味深い体験でした。 相場は分かりませんが、それほど混みすぎてはいなかったと思います。
1
3
11
@kuninet
kuni (KUNI-NET元シソペ)
15 days
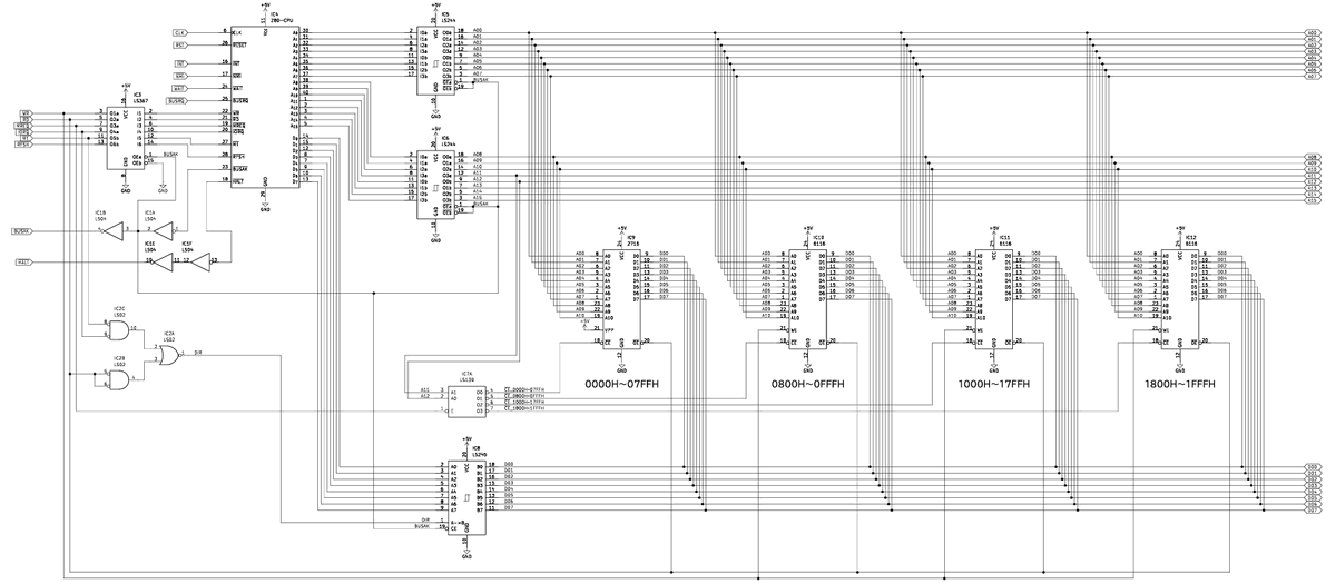
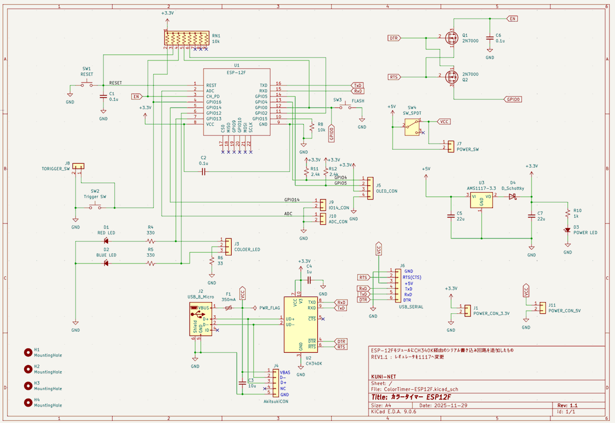
REV2基板は、USBシリアルICの半田付け失敗に懲りて、プログラム書き込み回路を別にしたら、XHコネクタだらけになったという ....なんか、これもどうなの?って感じですた。ここで頓挫してます なんか表面実装部品の半田付け練習基板の風味が....
0
0
4
@kuninet
kuni (KUNI-NET元シソペ)
15 days
REV1基板がこんな感じで、これは基板上のUSBシリアル変換ICの半田付けを失敗したバージョンw
1
0
2
@kuninet
kuni (KUNI-NET元シソペ)
15 days
ユニバーサル基板で試作したプロトタイプがこちらw w 圧電ブザが いい味出してるでしょ
1
0
0
@kuninet
kuni (KUNI-NET元シソペ)
15 days
これ、Wifiに繋がって ボタン押すと「仕事開始!」で何分かすると「仕事終わり時間だぞ!」ってカラータイマーとして「ぴこーんぴひこーん」と音と光で教えてくれて、もう一回ボタン押すと止まるという装置の予定 そのボタン操作のたびにインターネットのどこかのサービスさんにメッセージを飛ばす
1
0
1
@kuninet
kuni (KUNI-NET元シソペ)
15 days
あああ、数ヶ月前はIoTデータ可視化サービス Ambientでテストしたんだなぁ... もうだいぶ忘れてるあるです
1
0
1
@kuninet
kuni (KUNI-NET元シソペ)
15 days
Color Timer基板 REV1.1を作ってみようかなぁ。そろそろ年末近くなるので早く設計固めて頼まないと、年末年始にかかっちゃうと届かないかもです いかんいかん 当初はIFTTT とかと連携できるマイコンボードにしたかったけど断念したんですよねぇ 良さげなサービスあるじゃろか https://t.co/YQHYecTmqf
Tweet card summary image
github.com
Contribute to kuninet/ColorTimer-ESP12F development by creating an account on GitHub.
1
0
2
@kuninet
kuni (KUNI-NET元シソペ)
15 days
前のPOSTの写真は Tomi9さんに頂いたものです RTS/CTSが切り替えできたり、DTR信号が出ていたり便利なシリアル変換基板なんです eBayとかALiExperssで探したら CH340G Breakoutというキーワードだと出てきました。まだ入手可能みたいです 基板に端子装備して、接続するものが手に入らないと困るので
1
0
1
@kuninet
kuni (KUNI-NET元シソペ)
15 days
で、REV1基板をテストしていたときに、USBシリアルICの半田付けを失敗したことがあって、そんなとき用に 既存のUSBシリアルの端子もつけておくと便利かもと思いまして... で、そもそもDTR端子とRTS端子を装備したシリアル基板ってまだ売ってるのか?としばし探してしまいました
1
0
1
@kuninet
kuni (KUNI-NET元シソペ)
15 days
だいぶ前に作って、ケース作成で頓挫しているColor Timer基板ですが、REV1の基板の設計を見直したほうがよいかもと思って回路を見直しています REV2でUSBシリアルを省略したのは失敗だったかなーと思ったもので USBシリアル回路を搭載しておくと、電源もUSBから取れるしプログラム書き換えもできるので
1
0
3
@tako2
tako2
15 days
こちらのアドベントカレンダーで「pyxel でワイヤーフレームを使ったシューティングゲームをつくってみる」という記事が 12/5(金) に公開されます 制作中のゲームの紹介だけですが、Blender で使うスクリプト等のコードも公開するので、興味のある方は https://t.co/GEWkW1C3XD
1
31
89