Explore tweets tagged as #MaterialCharacterization
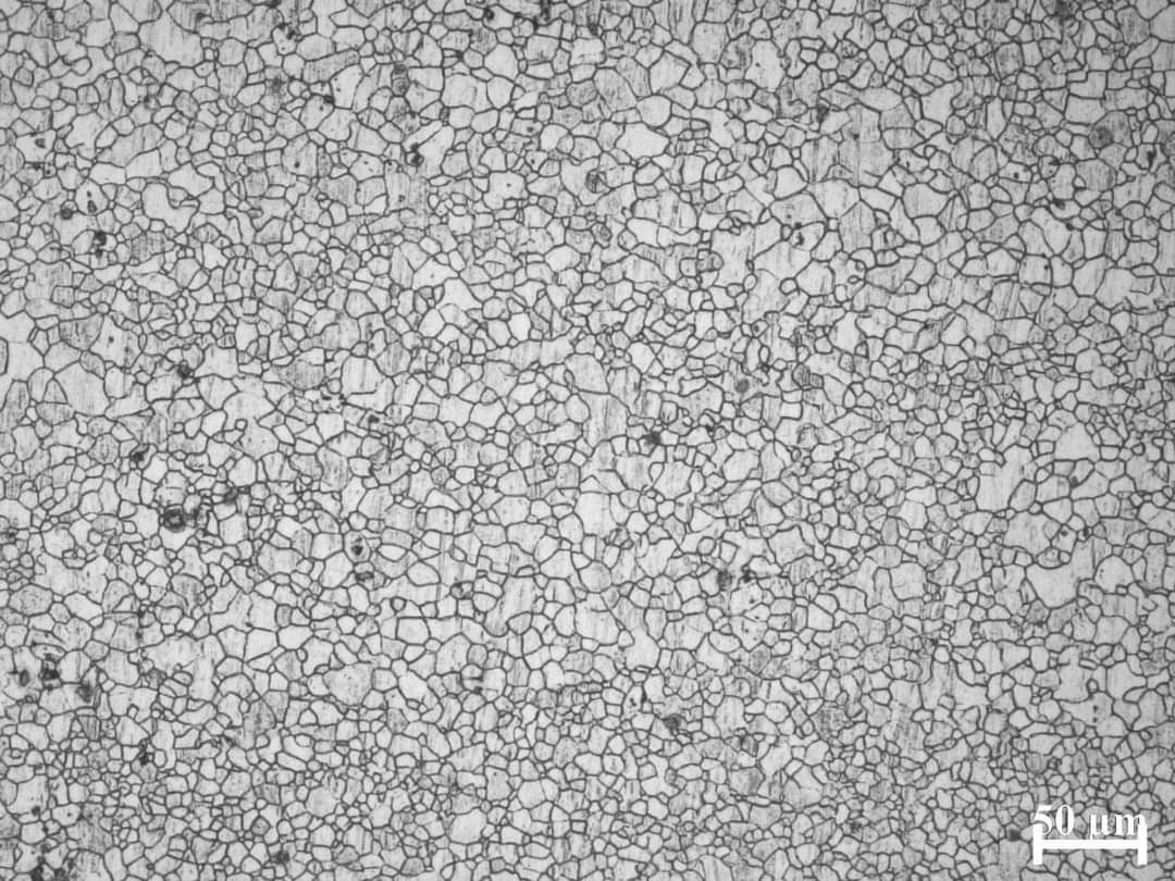
Microstructure of Magnesium Alloy. Pic #surajbhanjaiswal
#microstructure #magnesiumalloy #materialcharacterization #metallography #metallurgicalengineering #MATERIALSCIENCE #METALLURGIST #mechanicalengineering #mechanicalengineer #manufacturingengineering #manufacturing
0
2
25
#recommendedreading ⭐ Evaluation of Ceramic Properties of Bauxitic Materials from SE of Iberian Range, by Domingo Martín et al. 🔗 Access free here: https://t.co/86YGfKkByQ
#RefractoryMaterials #Bauxite #CeramicEngineering #Mullite #MaterialCharacterization
0
0
0
#JSAP Review article 👉 https://t.co/EuZVoPPZwd Tutorial Review Material characterization using positron annihilation spectroscopy Akira Uedono JSAP Rev. 2025, 250210 #JSAPReview
#Positron
#MaterialCharacterization
0
0
4
Step up to a new era of clarity with the SKZ1052 Ultra-Precision Differential Scanning Calorimeter. #DSCAnalytics #ThermalAnalysisRevolution #MaterialCharacterization #LabInnovation #PrecisionEngineering #PolymerAnalysis #QualityAssurance #ScientificDiscovery #DSC1052 #ASTM
0
0
0
Welcome to the University of Delaware Center for Composite Materials Dr. Tekin Ozdemir. #MaterialCharacterization #composites #research
1
1
4
Integrated use of FAME, FTIR, and ED-XRF analyses for comprehensive chemical characterization. #MaterialCharacterization #AnalyticalChemistry #ChemistryResearch #ScientificMethods #ResearchAndDevelopment #ChemicalAnalysis
https://t.co/QqQ5JwkUY8
0
0
1
Soil hydrometer testing going strong today! #LabTest
#MaterialTesting
#MaterialsScience
#MaterialProperties
#MaterialCharacterization
#QualityControl
#TestingLab
#MaterialAnalysis
#MaterialPropertiesTesting
#HydrometerTesting
#HydrometerAnalysis
#DensityMeasurement
0
0
1
Never Miss a Microgram: Where Extreme Precision Meets Unmatched Performance! #ThermogravimetricAnalysis #HighPrecisionTGA #MaterialCharacterization #AdvancedMaterialTesting #LaboratoryExcellence #ResearchInnovation #ThermalAnalysis #ScientificInstruments #QualityControl #SKZ1053
0
0
0
#Didyouknow ISO 10993-18 (publ Jan20) increases requirements for chemical characterization of materials and components of Medical Devices? ! #medicaldevices #eumdr #FDA #biologicalevaluation #biocompatibility #riskmanagement #chemicalcharacterization #materialcharacterization
0
0
0
The BTech in Materials Engineering curriculum at IIT Jodhpur is designed to provide students with a strong foundation in the properties, processing, & applications of materials. #MaterialsEngineering #IITJodhpur #MaterialCharacterization #StructureAndProperties
2
1
3
View Spotlight Analysis of the #OSA_OpEx paper Maximum-likelihood parameter estimation in terahertz time-domain spectroscopy https://t.co/ywPhxfUiwJ
#MaterialCharacterization @Peretti_Romain
0
5
5
Attending the 2024 #MRS Fall meeting? Don't miss Mathieu's presentation on #AdvancedAnalysis of the mechanical & viscoelastic properties of #PolymericMaterials. 📅December 6, 2:15PM @ Hynes Convetion Center, Boston, USA. See ya there! #F24MRS #MaterialCharacterization
1
2
2
[#PLATFORMS] New equipment alert ! 👉X rays Micro CT system: EasyTom from #RXSolutions ! Discover our brand new #materialcharacterization equipment for non-destructive, metallurgical and mechanical testing ! Check out all our platforms: https://t.co/LDZ1msGoWM
0
3
4
#HighlyCitedPaper 👉Design and Characterization of Electrically #Conductive Structures #Additively #Manufactured by #Material #Extrusion
https://t.co/kux8VYf4tp
#3Dprinting #materialextrusion #multimaterialadditivemanufacturing #materialcharacterization #electricalresistivity
0
0
0
TEM @ National Instituteof Technology, Rourkela First ever molecular picture 📸 @swagatkumar112 #Material #Materialcharacterization #MOF
0
0
3
See how easy it is to use MeasureLINK™ for environmental control and data collection. You can use the zoom function for chart operations and measure voltage according to drive current. #MeasureLINK #MaterialCharacterization
0
0
1
#SpecialIssue
https://t.co/V2OXGpeGF1 DD: 1 May 2022 GEs: Dr. Miklos Veres and Dr. István Csarnovics #Ramanspectroscopy #materialcharacterization #vibrationalspectroscopy #surfaceenhancedRamanscattering #SERS #stimulatedRamanscattering #SRS #CARS #Ramanlaser #Ramansensing
0
0
0