dbi_ltd Profile Banner
Danford Brewer & Ives Profile
Danford Brewer & Ives

@dbi_ltd

Followers
288
Following
105
Media
777
Statuses
1K

Specialists in damp proofing, timber treatments and basement conversions with over 25 years experience

Ripon, North Yorkshire
Joined March 2014
Don't wanna be here? Send us removal request.
@dbi_ltd
Danford Brewer & Ives
4 years
We are currently looking for a plasterer and semi skilled labourer, please use the link below! https://t.co/65pt9bP04F
0
0
0
@thestrayferret
The Stray Ferret
4 years
With the summer holidays fast approaching, families can look forward to almost two weeks of free activities in the city next month https://t.co/lwvzkcw3Im
0
1
1
@dbi_ltd
Danford Brewer & Ives
5 years
(2/2) These are recognised as professional qualifications for surveyors in the property preservation industry (CSRT), and for individuals involved in diagnosing problems with water entering structures below ground level and who recommend design solutions (CSSW)! 👷‍♂️ 🏠
0
0
0
@dbi_ltd
Danford Brewer & Ives
5 years
Did you know our surveyor is a Certificated Surveyor of Remedial Treatments (CSRT) & Certificated Surveyor in Structural Waterproofing (CSSW) by the Property Care Association (P.C.A)! 📜📄🖊 (1/2)
1
0
0
@dbi_ltd
Danford Brewer & Ives
5 years
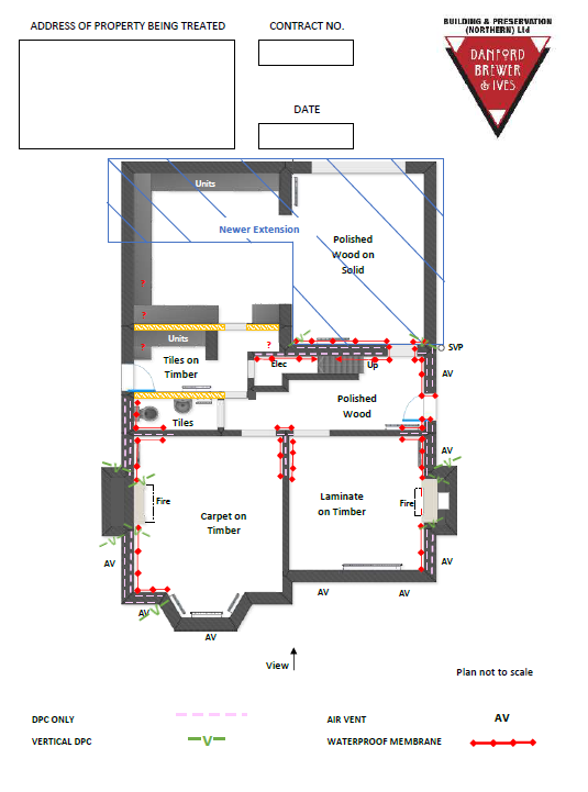
(2/2) To view some examples of our full reports and floorplans head over to our website https://t.co/WuKzQ28rPV and take a look! Here are a few more examples of the floorplans we provide!
0
0
0
@dbi_ltd
Danford Brewer & Ives
5 years
Once our surveyor has completed a #damp survey, we provide our customers with a full report stating what the surveyor has found, a break down of the costs, and a bespoke floorplan to highlight the affected areas! (1/2)
1
0
0
@dbi_ltd
Danford Brewer & Ives
5 years
(2/2)🔨 Provided new skirting boards & trim to the windows and doors If you require a #damp survey to your property, or have an issue with #woodworm, call our office on 01765 609990 or visit our website
0
0
0
@dbi_ltd
Danford Brewer & Ives
5 years
Works completed at a Village Hall near #York! 👷‍♂️ So, what did we do? 🔨 Removed timber battens & panelling to full height 🔨 Drill & injected DPC 🔨 Applied waterproof membrane 🔨 Installed new timber battens & applied plywood lining (1/2)
1
0
0
@dbi_ltd
Danford Brewer & Ives
5 years
(2/2) If you wish to discuss any damp or timber issues you may have found in your property, please call our office on 01765 60990 or visit our website https://t.co/WuKzQ28rPV to arrange a survey!
0
0
0
@dbi_ltd
Danford Brewer & Ives
5 years
🚨 New #Basement works starting!! 🚨 Yesterday we started works at this basement in #Tadcaster, where we will be creating a dry space for our customer to use! With the works expected to take around 4 & ½ weeks, keep an eye out for updates and the final finish! 👷 (1/2)
1
0
0
@dbi_ltd
Danford Brewer & Ives
5 years
(3/3) To arrange a survey for us to assess this issue, contact us on 01765 609990 or visit our website https://t.co/WuKzQ28rPV!
0
0
0
@dbi_ltd
Danford Brewer & Ives
5 years
(2/3) Humidity can be caused by small everyday things from drying wet clothes indoors, to hot showers/baths, to even just breathing! Whilst this is a common problem in properties, if left untreated, it can lead to other problems such as #dryrot & #wetrot.
1
0
0
@dbi_ltd
Danford Brewer & Ives
5 years
#Condensation causing an issue in your property? Did you know that #condensation forms when warm humid air comes into contact with a cold surface such as walls, floors, and windows? (1/3)
1
0
0
@dbi_ltd
Danford Brewer & Ives
5 years
(3/3) To check your eligibility, simply head over to our website https://t.co/WuKzQ28rPV, press the button and complete the form! (Please note, this is a soft search and does not affect your credit score).
0
0
0
@dbi_ltd
Danford Brewer & Ives
5 years
(2/3) Finance is available through our partner MoneyMatic (an independent broker). This will allow you to spread the cost of your project with affordable monthly payments (rates from 2.9% APR).
1
0
0
@dbi_ltd
Danford Brewer & Ives
5 years
Do you need #damp or #timber treatments carried out at your property, or want to convert your #basement into a new usable space, but wondering how to fund the works? 🏠 (1/3)
1
0
0
@dbi_ltd
Danford Brewer & Ives
5 years
(3/3) To arrange for one of our surveyors to visit your property to assess this issue, contact us on 01765 609990 today!
0
0
0
@dbi_ltd
Danford Brewer & Ives
5 years
(2/3) We have a variety of blogs which may contain the answer to your questions about the damp in your property: • Eight Causes of Damp on Internal Walls • 10 Signs of Rising Damp • The Difference Between Rising Damp and Condensation
1
0
0
@dbi_ltd
Danford Brewer & Ives
5 years
Have you noticed walls in your property are looking/feeling wet? Is plaster blistering? Have salt deposits started to form? If so, this could be a sign of #damp. Why not head over to our website and check out our blogs - https://t.co/mlPB0eNbqH! (1/3)
dbi-ltd.com
Our blog includes a whole range of topics including basement waterproofing, damp proofing and woodworm treatment. Visit our site to know how we can help
1
0
0
@dbi_ltd
Danford Brewer & Ives
5 years
(2/2) in your property: • How to Keep Condensation and Damp Out This Winter • The Difference Between Rising Damp and Condensation • What Causes Condensation? To arrange for one of our surveyors to visit your property to assess this issue, contact us on 01765 609990 today!
0
0
0