buch_emprep Profile Banner
Emergency Preparedness Profile
Emergency Preparedness

@buch_emprep

Followers
2
Following
0
Media
7
Statuses
7

Joined May 2023
Don't wanna be here? Send us removal request.
@buch_emprep
Emergency Preparedness
3 years
Aus dem Buch „Emergency Preparedness“ (Autoren: Paul Rübig, Achim Kaspar); Trauner Verlag, S. 210, "WASSERDATENRAUM" - Herausforderungen und Chancen - Autoren: Eloisa Vargiu Roberto Di Bernardo Rafael Gimenez-Esteban Davide Storelli
0
0
0
@buch_emprep
Emergency Preparedness
3 years
Aus dem Buch „Emergency Preparedness“ (Autoren: Paul Rübig, Achim Kaspar); Trauner Verlag, S. 188, "KALTESTES PLASMA ZUR BEKÄMPFUNG PERSISTENTER WASSERSCHADSTOFFE" - Autoren: Jürgen F. Kolb, INP Greifswald Klaus-Dieter Weltmann, INP Greifswald - Bildquelle: (c) Paul Rübig
0
1
0
@buch_emprep
Emergency Preparedness
3 years
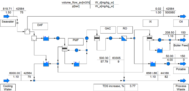
Aus dem Buch „Emergency Preparedness“ Autoren: Paul Rübig, Achim Kaspar; Trauner Verlag, S. 176, "PROZESSSIMULATION – DIGITALE ZWILLINGE VON WASSERAUFBEREITUNGSANLAGEN" - Unser innovatives Prozesssimulationstool erlaubt bessere und schnellere Lösungen für Kunden. (c) Paul Rübig
0
0
0
@buch_emprep
Emergency Preparedness
3 years
Aus dem Buch „Emergency Preparedness“ (Autoren: Paul Rübig, Achim Kaspar); Trauner Verlag, S. 150, "DAS STREBEN NACH EINER ARTENREICHEN WASSERZUKUNFT IN EUROPA" - In Europa ist WaterEurope die Stimme und Förderin von wasserbezogener Innovation und FTE in Europa.
0
1
1
@buch_emprep
Emergency Preparedness
3 years
Um die Ernährung für zukünftige Generationen zu gewährleisten, bespricht das Buch "Emergency Preparedness" nachhaltige Lebensmittelsysteme. (S. 57, "Wasser und nachhaltige Agrar- und Lebensmittelsysteme"). Bildquelle: (c) Paul Rübig
0
0
0
@buch_emprep
Emergency Preparedness
3 years
Das Buch "Emergency Preparedness" bewertet Herausforderungen, Wassereffizienz & kundenorientierte technologische Innovation. Es bietet Lösungen, Best-Practice-Beispiele, findet Antworten auf einige der drängendsten Probleme im Wassermanagement weltweit. Quelle: (c) Paul Rübig
0
0
0
@buch_emprep
Emergency Preparedness
3 years
Das neue Buch von Paul Rübig und Achim Kaspar "Emergency Preparedness" ist jetzt in der deutschen Ausgabe im Trauner Verlag erhältlich. Haben Sie sich Ihr Exemplar 📘schon geholt?
0
0
0