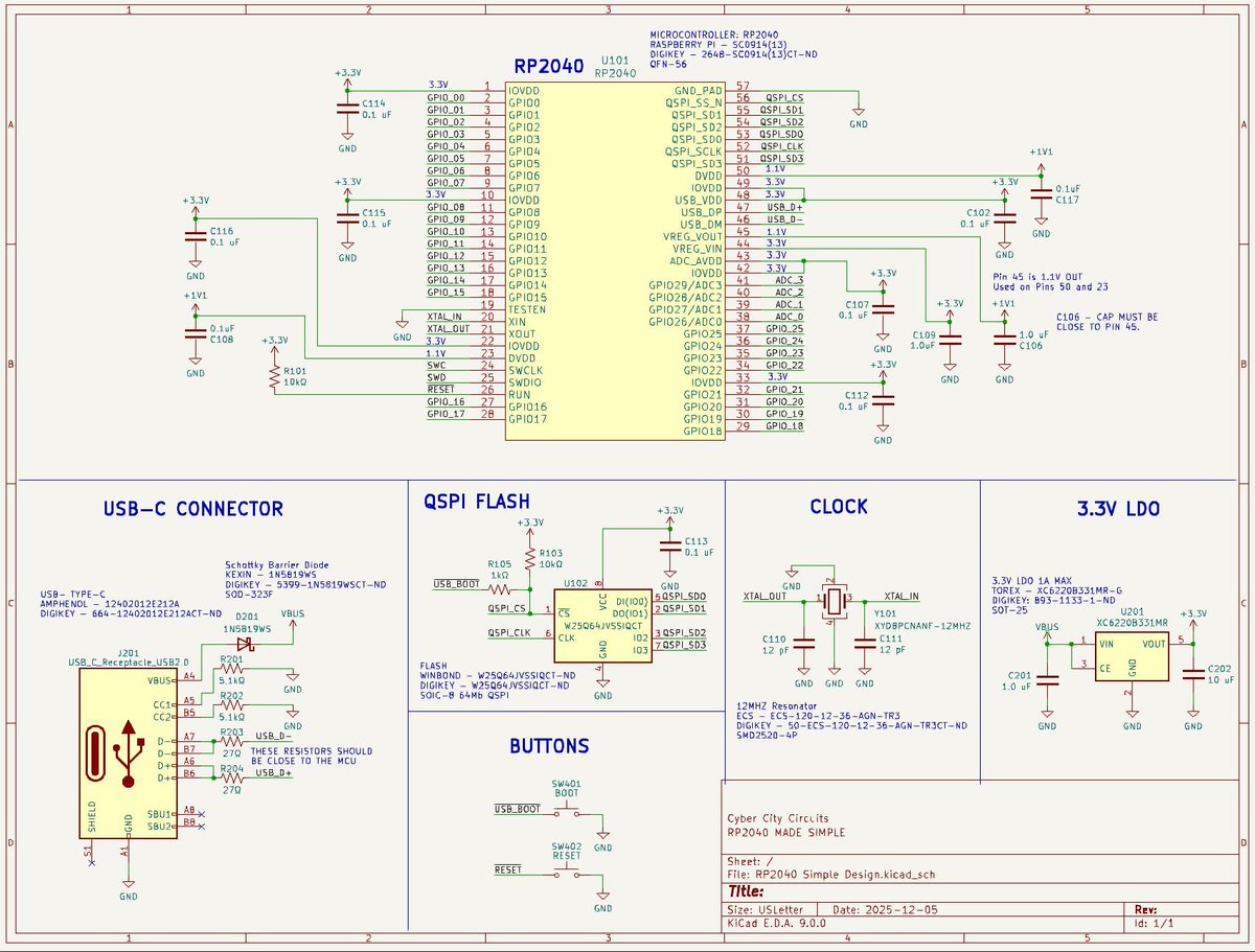
KiCad PCB
@kicad_pcb
Followers
28K
Following
1K
Media
137
Statuses
2K
KiCad PCB official account. The world's most popular EDA tool. Also available on: https://t.co/U9pnKebJ8z BlueSky: @kicad.org https://t.co/YFmSsrGj19
Joined May 2012
Watch @futureshocked give an amazing talk on learning, KiCad and how we move into the future at KiCon Asia 2025 https://t.co/gQVFt9XP5e
1
1
36
9.0.7 release candidate 1 available. See the blog post on the KiCad website for more information. https://t.co/yggPG6HNLX
kicad.org
The first release candidate for version 9.0.7 is available for testing. Version 9.0.7 will be released soon unless critical issues are found in testing this release candidate. There may be additional...
1
9
85
Job opening at KiCad! We're looking to hire a full-time, remote C++ programmer in the US or EU. Details and application at https://t.co/BTQ2uxR4qF Join our team and build the future of EDA software!
4
36
184
With Full Self-Driving Supervised engaged, you're 7x less likely to be involved in an accident
0
58
739
This December is a great time to try out the Aisler plugin for KiCad and get an extra discount! They are a long time friend of KiCad and using their plugin is a easy way to support the KiCad EDA community.
1
1
23
From rock crawling to city cruising, AccuAir's got you covered.
0
20
371
Our friends at @PCBWayOfficial just launched their holiday sales at https://t.co/5gkBbUoKld As a special deal for KiCad users, if you use the PCBWay KiCad plugin, you get an additional discount and each purchase helps to support the development of KiCad!
1
13
44
NextPCB was honored to host #KiCon Asia, the only annual KiCad conference in the East for the third time. The event brought together both new and familiar faces from across Asia, Australia, and beyond, creating a vibrant gathering where attendees explored a wide spectrum of
1
2
13
Andrew Greenberg from PSU, gives a masterclass in making intelligible, useful schematic diagrams at KiCon North America https://t.co/tlqcdiVS4P
1
1
24
Low upfront cost and predictable monthly payments for your solar and Powerwall.
2
4
35
KiCad Version 9.0.6 Released The KiCad project is proud to announce the latest version 9 bug fix release. See the blog post on the KiCad website for more information about this release. https://t.co/c2T1gsQlMY
kicad.org
The KiCad project is proud to announce the version 9.0.6 bug fix release. The 9.0.6 stable version contains critical bug fixes and other minor improvements since the previous release.
4
37
259
9.0.6 release candidate 2 available See the blog post on the KiCad website for more information. https://t.co/I409qH3KQY
kicad.org
The second release candidate for version 9.0.6 is available for testing. Version 9.0.6 will be released soon unless critical issues are found in testing this release candidate. There may be additio...
1
3
48
9.0.6 release candidate 1 available See the blog post on the KiCad website for more information. https://t.co/1fgUUACZWN
kicad.org
The first release candidate for version 9.0.6 is available for testing. Version 9.0.6 will be released soon unless critical issues are found in testing this release candidate. There may be additional...
0
3
21
💥 We're excited to announce the launch of the KiCad Project community – a new hub for electronics enthusiasts, makers 🔧 , and engineers to share, inspire, and collaborate! Every time you publish your project on the platform, NextPCB will donate $10 in your name to support
2
1
17
KiCad Version 9.0.5 Released The KiCad project is proud to announce the latest version 9 bug fix release. See the blog post on the KiCad website for more information about this release. https://t.co/kUV6mwX6lD
kicad.org
The KiCad project is proud to announce the version 9.0.5 bug fix release. The 9.0.5 stable version contains critical bug fixes and other minor improvements since the previous release.
2
29
102
9.0.5 release candidate 1 available See the blog post on the KiCad website for more information. https://t.co/Igp4e7Z2mx
kicad.org
The first release candidate for version 9.0.5 is available for testing. Version 9.0.5 will be released soon unless critical issues are found in testing this release candidate. There may be additional...
0
2
20